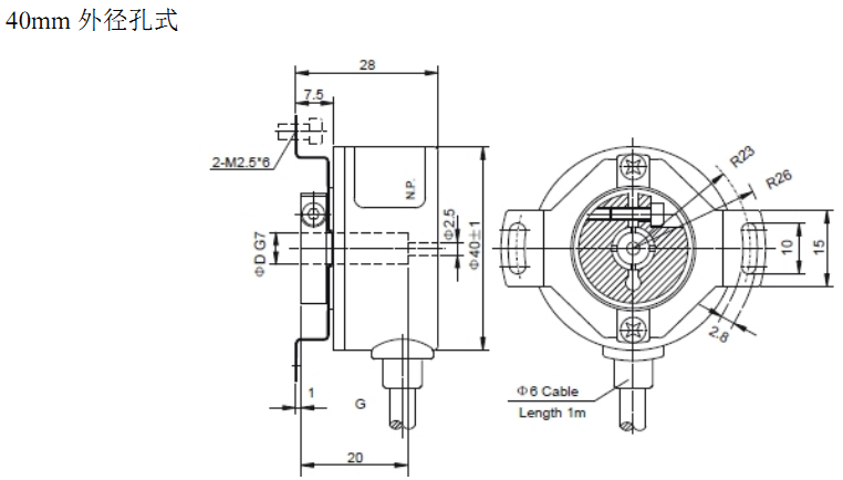
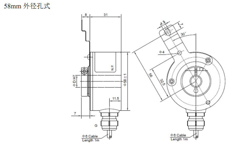
简要描述:
*欧洲标准工业等级,8-10000 刻线数 *5--24V 差分驱动或集电极开路输出 *轴承载荷能力强,防油防水 *IP65 高防护等级 (IP67可定制) *夹紧法兰、同步法兰或轴套半空型,国际标准外型...
上一篇:增量脉冲信号输出实体轴安装系列
下一篇:增量脉冲信号输出空心轴通孔安装系列
增量脉冲信号输出实体轴安装系列
增量脉冲信号输出半空盲孔轴套安装系列
增量脉冲信号输出空心轴通孔安装系列
公司地址
联系电话
电子邮箱
Copyright © 2013-2022 上海精敏光电技术有限公司 版权所有 备案号:沪ICP备20007443号-1
咨询在线客服
服务热线
021-31006587
扫一扫,关注我们